Luotu Suomen ankariin olosuhteisiin ja energiatehokkaisiin taloihin!
Sopii asennettavaksi alipaineistettuihin / passiivitaloihin.
Tulipesän kaksoisseinämärakenne mahdollistaa mahdollisimman pienen tehon huoneeseen ja tehokkaan lämmönsiirtymisen veteen. Tulipesä on eristetty jo tehtaalla, joka parantaa polttotekniikkaa ja hyötysuhdetta ja lämmittää vähemmän huonetilaa. Koska lämpö otetaan talteen vasta tulipesän yläpuolelta, ei vesi haittaa polttotapahtumaa jäähdyttävästi, vaan polttoprosessi on aina parhaimmillaan! Luukussa tuplalasi, joka vähentää säteilylämpöä. Ainutlaatuinen puoliautomaattinen ilmansäätö on helppo käyttää, sinun ei tarvitse ymmärtää ensiö- ja toisioilman toimintatapoja, riittää että säädät liekin suurelle tai pienelle, tehontarpeen mukaan. Takka hoitaa ilmansyötön oikeaan paikkaan puolestasi (sytytysvaiheessa enemmän ensiöilmaa, palovaiheessa enemmän toisioilmaa). Polttoprosessin hyötysuhde on huikeat 87 %, joka tarkoittaa erittäin pientä tuhkajätettä tulipesään. Polta jopa 1 m³ polttopuuta ilman tuhkan tyhjennystä (riittävän kuiva polttopuu ja oikein säädetty ilmansäätö)!
Sopii erityisesti käytettäväksi passiivi ja matalaenergiataloissa, sekä uusissa omakotitaloissa, jossa lämpöä ei juuri haluta huoneeseen. Takan lämmönvaihdin voidaan lisäeristää putkitöiden jälkeen, jolloin tehoa siirtyy enemmän veteen.
Takalla voidaan polttaa suurta puumäärää erittäin pitkään mutta kuitenkin hyvin puhtaasti, joka mahdollistaa polttopuun tehon jakamisen pitkälle aikavälille (pesä täyteen ja veto pienelle = paloaika jopa 4 h). Toimii erinomaisesti tilanteissa jossa energiankulutusta on pitkälle aikavälille.
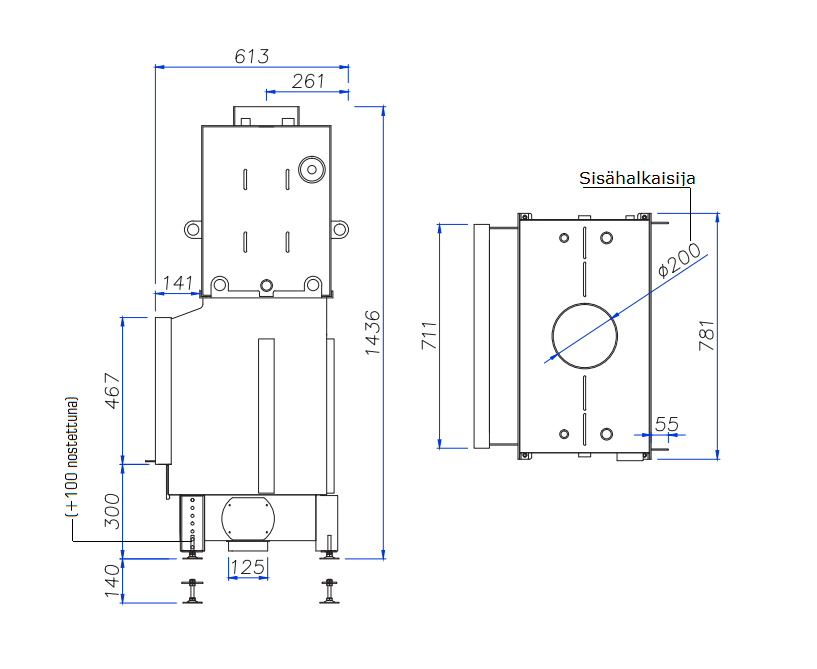
Vakiona säätöjalat, ulkoinen paloilmanottoliitäntäpaikka (luukkua vastakkaiselta puolelta).
Suositeltu varaajan koko: 500 – 1000 l
Takuu: 12 vuoden puhkipalamattomuustakuu lämmönvaihtimelle!
Ei koske lasia (rikkoutuu vain iskusta)
Ei koske tulipesän keraamiosia (käytössä kuluva osa)

















Arviot
Tuotearvioita ei vielä ole.